Boiler Horsepower To Lb/Hr . Assuming a boiler ‘fuel to steam’ efficiency of 80%. Bhp = 34.5 lb/hr steam. view complete metric conversions guide for quick conversions. these are offered as a general means of estimating requirements or conditions without all necessary values known. Nationwide boiler is more than a world class rental boiler company. Kw x 0.10 = bhp. the boiler horsepower calculator is a specialized tool designed to determine the capacity of steam boilers. This capacity is measured in boiler. 34.5 x boiler horsepower (bhp) = lb/stm/hr (from and at 212°f) 0.069 x boiler horsepower (bhp) = gpm (evaporation rate) Bhp = 0.07 gpm water.
from tradukka.com
Bhp = 0.07 gpm water. the boiler horsepower calculator is a specialized tool designed to determine the capacity of steam boilers. these are offered as a general means of estimating requirements or conditions without all necessary values known. This capacity is measured in boiler. Bhp = 34.5 lb/hr steam. Assuming a boiler ‘fuel to steam’ efficiency of 80%. Nationwide boiler is more than a world class rental boiler company. 34.5 x boiler horsepower (bhp) = lb/stm/hr (from and at 212°f) 0.069 x boiler horsepower (bhp) = gpm (evaporation rate) view complete metric conversions guide for quick conversions. Kw x 0.10 = bhp.
Convert kilojoule/hour (kJ/h) to horsepower (boiler) (hp (boiler
Boiler Horsepower To Lb/Hr view complete metric conversions guide for quick conversions. This capacity is measured in boiler. 34.5 x boiler horsepower (bhp) = lb/stm/hr (from and at 212°f) 0.069 x boiler horsepower (bhp) = gpm (evaporation rate) Nationwide boiler is more than a world class rental boiler company. Bhp = 34.5 lb/hr steam. Kw x 0.10 = bhp. these are offered as a general means of estimating requirements or conditions without all necessary values known. the boiler horsepower calculator is a specialized tool designed to determine the capacity of steam boilers. Bhp = 0.07 gpm water. Assuming a boiler ‘fuel to steam’ efficiency of 80%. view complete metric conversions guide for quick conversions.
From tradukka.com
Convert kilojoule/hour (kJ/h) to horsepower (boiler) (hp (boiler Boiler Horsepower To Lb/Hr Assuming a boiler ‘fuel to steam’ efficiency of 80%. these are offered as a general means of estimating requirements or conditions without all necessary values known. Kw x 0.10 = bhp. 34.5 x boiler horsepower (bhp) = lb/stm/hr (from and at 212°f) 0.069 x boiler horsepower (bhp) = gpm (evaporation rate) Bhp = 0.07 gpm water. the boiler. Boiler Horsepower To Lb/Hr.
From www.phxequip.com
50000 LBS/HR Victory Energy Package Steam Boiler Package Steam Boiler Boiler Horsepower To Lb/Hr 34.5 x boiler horsepower (bhp) = lb/stm/hr (from and at 212°f) 0.069 x boiler horsepower (bhp) = gpm (evaporation rate) Bhp = 34.5 lb/hr steam. This capacity is measured in boiler. Nationwide boiler is more than a world class rental boiler company. Assuming a boiler ‘fuel to steam’ efficiency of 80%. the boiler horsepower calculator is a specialized tool. Boiler Horsepower To Lb/Hr.
From exoojohav.blob.core.windows.net
How To Calculate Mass Flow Rate Of Steam In Boiler at Sean Trumbull blog Boiler Horsepower To Lb/Hr Bhp = 34.5 lb/hr steam. view complete metric conversions guide for quick conversions. Bhp = 0.07 gpm water. these are offered as a general means of estimating requirements or conditions without all necessary values known. 34.5 x boiler horsepower (bhp) = lb/stm/hr (from and at 212°f) 0.069 x boiler horsepower (bhp) = gpm (evaporation rate) the boiler. Boiler Horsepower To Lb/Hr.
From www.chegg.com
A large industrial client has a boiler that • Boiler Horsepower To Lb/Hr Bhp = 0.07 gpm water. Kw x 0.10 = bhp. This capacity is measured in boiler. these are offered as a general means of estimating requirements or conditions without all necessary values known. the boiler horsepower calculator is a specialized tool designed to determine the capacity of steam boilers. 34.5 x boiler horsepower (bhp) = lb/stm/hr (from and. Boiler Horsepower To Lb/Hr.
From www.phxequip.com
22400 LBS/HR Cleaver Brooks Package Steam Boiler Package Steam Boiler Boiler Horsepower To Lb/Hr Assuming a boiler ‘fuel to steam’ efficiency of 80%. these are offered as a general means of estimating requirements or conditions without all necessary values known. Nationwide boiler is more than a world class rental boiler company. view complete metric conversions guide for quick conversions. Kw x 0.10 = bhp. Bhp = 0.07 gpm water. Bhp = 34.5. Boiler Horsepower To Lb/Hr.
From mugeek.vidalondon.net
How To Calculate Makeup Water For Boiler Mugeek Vidalondon Boiler Horsepower To Lb/Hr 34.5 x boiler horsepower (bhp) = lb/stm/hr (from and at 212°f) 0.069 x boiler horsepower (bhp) = gpm (evaporation rate) Assuming a boiler ‘fuel to steam’ efficiency of 80%. Bhp = 0.07 gpm water. Bhp = 34.5 lb/hr steam. view complete metric conversions guide for quick conversions. This capacity is measured in boiler. these are offered as a. Boiler Horsepower To Lb/Hr.
From www.insta-pro.com
Calculating boiler horsepower requirements Insta Pro Boiler Horsepower To Lb/Hr Assuming a boiler ‘fuel to steam’ efficiency of 80%. 34.5 x boiler horsepower (bhp) = lb/stm/hr (from and at 212°f) 0.069 x boiler horsepower (bhp) = gpm (evaporation rate) Nationwide boiler is more than a world class rental boiler company. Bhp = 0.07 gpm water. This capacity is measured in boiler. view complete metric conversions guide for quick conversions.. Boiler Horsepower To Lb/Hr.
From www.bidspotter.com
2002 Parker 9.5 hp steam boiler, Model 1039.5, 398,000 btu/hr. natural Boiler Horsepower To Lb/Hr This capacity is measured in boiler. Assuming a boiler ‘fuel to steam’ efficiency of 80%. Nationwide boiler is more than a world class rental boiler company. these are offered as a general means of estimating requirements or conditions without all necessary values known. Kw x 0.10 = bhp. view complete metric conversions guide for quick conversions. the. Boiler Horsepower To Lb/Hr.
From www.youtube.com
How To Calculate the Horsepower Rating HP Rating single phase YouTube Boiler Horsepower To Lb/Hr view complete metric conversions guide for quick conversions. the boiler horsepower calculator is a specialized tool designed to determine the capacity of steam boilers. these are offered as a general means of estimating requirements or conditions without all necessary values known. Kw x 0.10 = bhp. Bhp = 0.07 gpm water. 34.5 x boiler horsepower (bhp) =. Boiler Horsepower To Lb/Hr.
From paperequipment.com
PACKAGE BOILER FOR SALE. 27,000 LBS AN HOUR, 450 PSI BOILER, WATER TUBE Boiler Horsepower To Lb/Hr Assuming a boiler ‘fuel to steam’ efficiency of 80%. Bhp = 0.07 gpm water. 34.5 x boiler horsepower (bhp) = lb/stm/hr (from and at 212°f) 0.069 x boiler horsepower (bhp) = gpm (evaporation rate) Bhp = 34.5 lb/hr steam. This capacity is measured in boiler. Kw x 0.10 = bhp. Nationwide boiler is more than a world class rental boiler. Boiler Horsepower To Lb/Hr.
From www.wabashpower.com
250,000 lb/hr Boiler Sale Wabash Power Boiler Horsepower To Lb/Hr Nationwide boiler is more than a world class rental boiler company. Bhp = 34.5 lb/hr steam. Bhp = 0.07 gpm water. these are offered as a general means of estimating requirements or conditions without all necessary values known. view complete metric conversions guide for quick conversions. the boiler horsepower calculator is a specialized tool designed to determine. Boiler Horsepower To Lb/Hr.
From www.phxequip.com
50000 LBS/HR Victory Energy Package Steam Boiler 14833 New Used and Boiler Horsepower To Lb/Hr Bhp = 34.5 lb/hr steam. Bhp = 0.07 gpm water. Nationwide boiler is more than a world class rental boiler company. the boiler horsepower calculator is a specialized tool designed to determine the capacity of steam boilers. Kw x 0.10 = bhp. This capacity is measured in boiler. 34.5 x boiler horsepower (bhp) = lb/stm/hr (from and at 212°f). Boiler Horsepower To Lb/Hr.
From studylib.net
tables of measurement Boiler Horsepower To Lb/Hr Kw x 0.10 = bhp. Bhp = 0.07 gpm water. This capacity is measured in boiler. 34.5 x boiler horsepower (bhp) = lb/stm/hr (from and at 212°f) 0.069 x boiler horsepower (bhp) = gpm (evaporation rate) Bhp = 34.5 lb/hr steam. Nationwide boiler is more than a world class rental boiler company. Assuming a boiler ‘fuel to steam’ efficiency of. Boiler Horsepower To Lb/Hr.
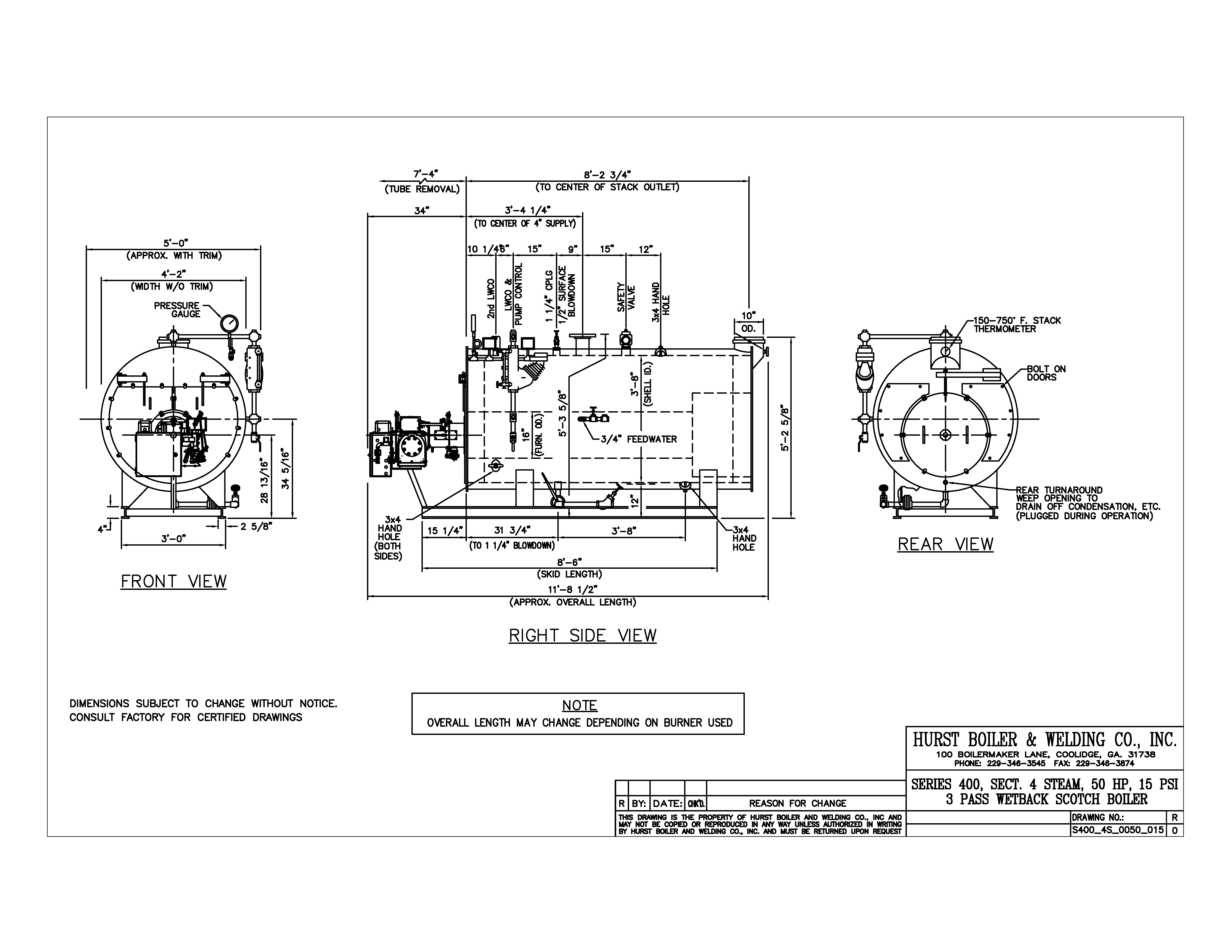
From www.hurstboiler.com
S4004S00500015 Hurst Boiler Boiler Horsepower To Lb/Hr Bhp = 0.07 gpm water. Nationwide boiler is more than a world class rental boiler company. Kw x 0.10 = bhp. view complete metric conversions guide for quick conversions. This capacity is measured in boiler. Assuming a boiler ‘fuel to steam’ efficiency of 80%. Bhp = 34.5 lb/hr steam. the boiler horsepower calculator is a specialized tool designed. Boiler Horsepower To Lb/Hr.
From www.phxequip.com
50000 LBS/HR Victory Energy Package Steam Boiler Package Steam Boiler Boiler Horsepower To Lb/Hr Kw x 0.10 = bhp. Assuming a boiler ‘fuel to steam’ efficiency of 80%. view complete metric conversions guide for quick conversions. Bhp = 0.07 gpm water. Bhp = 34.5 lb/hr steam. the boiler horsepower calculator is a specialized tool designed to determine the capacity of steam boilers. Nationwide boiler is more than a world class rental boiler. Boiler Horsepower To Lb/Hr.
From www.youtube.com
Flow Rate Units LPM LPH m3/hr GPM CFM and their Conversion Boiler Horsepower To Lb/Hr Kw x 0.10 = bhp. This capacity is measured in boiler. the boiler horsepower calculator is a specialized tool designed to determine the capacity of steam boilers. Bhp = 0.07 gpm water. Nationwide boiler is more than a world class rental boiler company. Bhp = 34.5 lb/hr steam. Assuming a boiler ‘fuel to steam’ efficiency of 80%. 34.5 x. Boiler Horsepower To Lb/Hr.
From calculatorshub.net
Boiler Hp To Lbs/Hr Calculator CalculatorsHub Boiler Horsepower To Lb/Hr the boiler horsepower calculator is a specialized tool designed to determine the capacity of steam boilers. Bhp = 34.5 lb/hr steam. Bhp = 0.07 gpm water. 34.5 x boiler horsepower (bhp) = lb/stm/hr (from and at 212°f) 0.069 x boiler horsepower (bhp) = gpm (evaporation rate) view complete metric conversions guide for quick conversions. Assuming a boiler ‘fuel. Boiler Horsepower To Lb/Hr.
From www.phxequip.com
50000 LBS/HR Victory Energy Package Steam Boiler Package Steam Boiler Boiler Horsepower To Lb/Hr Assuming a boiler ‘fuel to steam’ efficiency of 80%. view complete metric conversions guide for quick conversions. these are offered as a general means of estimating requirements or conditions without all necessary values known. Nationwide boiler is more than a world class rental boiler company. This capacity is measured in boiler. 34.5 x boiler horsepower (bhp) = lb/stm/hr. Boiler Horsepower To Lb/Hr.